一、技术简介
现有的均四甲苯生产工艺有分离法、氯甲基化法,但已无法满足均四甲苯日益增长的市场需求。芳烃-甲醇烷基化是高效生产均四甲苯的技术路线之一。
本技术采用自主开发的 TATD-1 催化剂,以偏三甲苯、甲醇为原料,通过择形烷基化反应生产均四甲苯,具有芳烃单程转化率高、均四甲苯选择性高、催化剂稳定性高的特点。
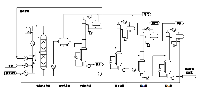
二、工艺流程
TATD 工艺流程示意图
三、应用范围
适用于以 C6~C9 的(甲基)芳烃、甲醇为原料,生产高附加值的多甲基苯工艺,目的产品具体包括混二甲苯、偏三甲苯、均四甲苯等。
四、技术特点
偏三甲苯单程转化率≥25%,均四甲苯产品收率≥95%(以偏三甲苯计);
配套自主研发的均四甲苯提纯、造粒技术,产品纯度≥99.5%,外观为白色均匀颗粒。
五、应用业绩
河南濮阳某家公司均四甲苯生产项目,2017.4;
山东临沂某家公司均四甲苯生产项目,2017.6;
河南濮阳某家公司均四甲苯生产项目,2017.9。
建议使用IE8及以上版本(非兼容性视图)或较高版本其他类型浏览器(非兼容模式),屏幕分辨率在1028*768以上的客户端访问。