一、技术简介
电化学循环水处理技术是以电化学的电解原理和极性水分子理论为基础发展起来的循环水水质处理技术。通过电解方式析出固态水垢后自动排出水垢,同时直接改变循环水的性质,增加碳酸钙晶体在水中的溶解度,阻止碳酸钙从水中析出,并逐渐溶解附着于管道中的水垢,达到去除水垢、预防水垢附着的目的。同时产生的电解水还能起到杀菌灭藻的作用,是一种清洁无污染水处理工艺。
二、应用领域
可应用于炼油、化工、钢铁等中小型工业循环水系统以及中央空调系统的在线阻垢除垢、杀菌灭藻等水质稳定控制。
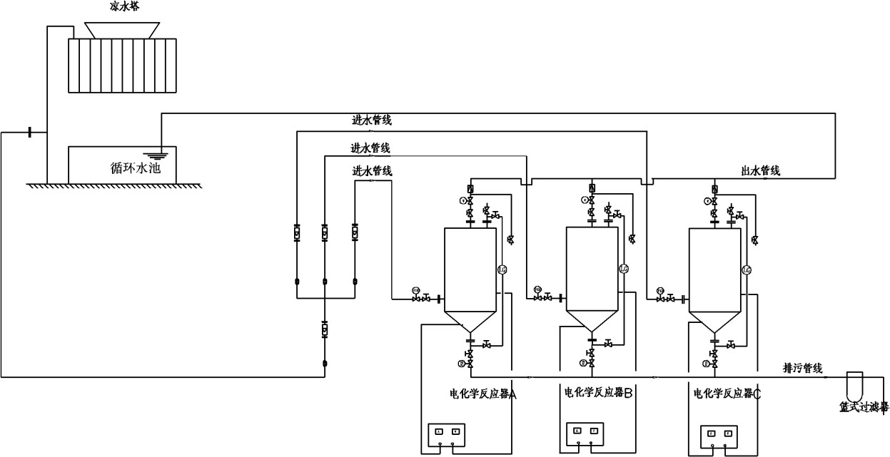
三、工艺流程
四、应用案例
应用于宁波某石化企业循环量4000m3/h的循环水系统的成撬化电化学循环水处理装置。
电化学循环水处理装置及循环水系统排出的固体垢样
建议使用IE8及以上版本(非兼容性视图)或较高版本其他类型浏览器(非兼容模式),屏幕分辨率在1028*768以上的客户端访问。